Benvenuti in Carmeccanica

 

Carrelli Industriali

Carrelli Linea Ufficio

Carrelli Ho.Re.Ca.

Carrelli Sanitari

Carrelli Bagagli

Carrelli Stoccatori

TNBEX 12/16

Sollevatore semovente alzata mm 1.600 , con pedana

Introduzione Veloce

Portata Kg 1.200
Elevazione mm 1.600
Movimentazione elettrica con controllo sul timone
Cassone batteria Corazzata

Ordinabile SI

Sollevatore semovente alzata mm 1.600 , con pedana è acquistabile per lotti da 1 unità.

Dettagli Prodotto

 

      TNBEX 12/16
CARATTERISTICHE      
Portata nominale Q Kg 1.200
Baricentro C mm 600
Sistema Guida      accompagnamento
Pedana uomo a bordo richiudibile e braccetto     SI
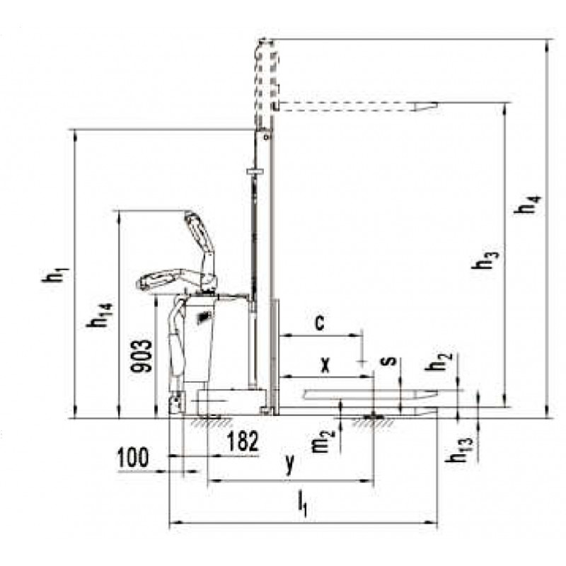
DIMENSIONI      
Sollevamento h3 mm 1.520
Alzata libera normale   mm 1.520
Lunghezza Forche l mm 1.150
Larghezza esterna forche  b5 mm 570
Larg. Forche x Spessore e/s mm 180/60
Lunghezza totale l1 mm 1.889
Lunghezza Motrice l2 mm 739
Larghezza b1 mm 890
Ingombro minimo in altezza h1 mm 1.976
Ingombro massimo in altezza h4 mm 1.976
Raggio di volta Wa mm 1.280
Altezza manico MAX/min h14 mm 1.320/940
Altezza minima forche h13 mm 81
Corridoio di stivaggio pallet 800x1200  AST mm 2.145
PRESTAZIONI      
Traslazione con carico/senza carico   Km/h 5.2/5.5
Velocità sollevamento carico/senza carico   mm/s 110/170
Velocità discesa carico/senza carico  y mm/s 120/130
Pendenza superabile con carico/senza carico     6/12 
TELAIO      
Ruote parte conducente/carico (M=motrice)   nr 2+1M/4
Ruote stabilizzatrici poliuretano   mm Ø 150x54
Ruota Motrice   mm Ø 252x89
Rulli anteriori Nylon   mm Ø 80x70
Passo  y mm 1.278
Interasse ruote lato timone b10 mm 650
Interasse rulli forche b11  mm 390
AZIONAMENTO      
Motore Trazione s2 60min   Kw 1,3
Motore sollevamento s3 15%   Kw 2,2
Controllo Marce     Variatore elettronico
Batteria   V/Ah 24/210
PESI      
Peso a vuoto   Kg 810
Peso Batteria   Kg 185
RADDRIZZATORE      
Carica batteria   V-A 24-40

Informazioni Aggiuntive

Cod. TNBEX 12/16
GTIN/EAN 8053853156204
Fornito Montato - Pronto all'uso
Peso kg 810
Dimensioni Pala in mm No
Portata kg 1200
Diametro Ruota in mm No
Ruota del Tipo: No
Colore Rosso RAL3000
Produttore Carmeccanica
Paese di Produzione
Garanzia 2 Anni
Conformità CE
Disponibilità Fuori Produzione