Benvenuti in Carmeccanica

 

Carrelli Industriali

Carrelli Linea Ufficio

Carrelli Ho.Re.Ca.

Carrelli Sanitari

Carrelli Bagagli

Carrelli Stoccatori

Altre Viste

TNBCDW 15/16

Sollevatore semovente con Forche Straddle alzata mm 1.600

Introduzione Veloce

Portata Kg 1.500
Elevazione mm 1.600
Forche stabilizzatrici Straddle larghezza mm 1502
Movimentazione elettrica con controllo sul timone

Ordinabile SI

Sollevatore semovente con Forche Straddle alzata mm 1.600 è acquistabile per lotti da 1 unità.

Dettagli Prodotto

      TNBCDW 15/16
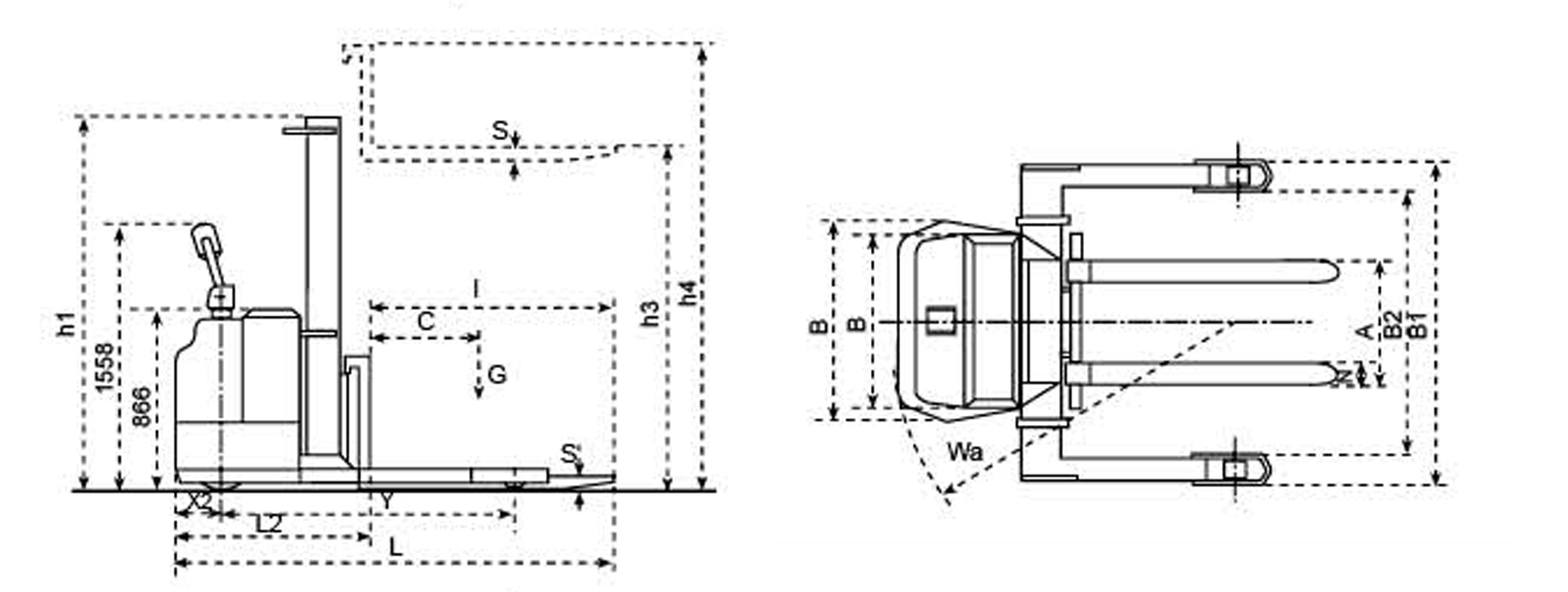
CARATTERISTICHE      
Portata nominale Q Kg 1.500
Baricentro C mm 500
Sistema Guida     Accompagnamento
DIMENSIONI      
Sollevamento h3 mm 1.600
Lunghezza Forche l mm 1.000
Larghezza esterna forche regolabili A mm 230 - 790
Larghezza Forche x Spessore N/S mm 100x38
Lunghezza totale l1 mm 1.283
Lunghezza Motrice l2 mm 792
Larghezza motrice B mm 940
Larghezza esterna forche stabilizzatrici regolabili B1 mm 1.197 - 1.502
Larghezza interna forche stabilizzatrici regolabili B2 mm 965 - 1.270
Ingombro minimo in altezza h1 mm 2.166
Ingombro massimo in altezza h4 mm 2.460
Raggio di volta Wa mm 1.533
PRESTAZIONI      
Traslazione con carico/senza carico   Km/h 5.5/4.8
Velocità sollevamento carico/senza carico   mm/s 90/160
Velocità discesa carico/senza carico   mm/s 95/120
Pendenza superabile     5%
TELAIO      
Ruote parte conducente/carico (M=motrice)   nr 2+1M/4
Ruote stabilizzatrici poliuretano   mm Ø 150x75
Ruota Motrice   mm Ø 250x80
Rulli anteriori poliuretano   mm Ø 78x70
Passo  y mm 1.283
AZIONAMENTO      
Motore Trazione   Kw 1,2
Motore sollevamento   Kw 2,2
Controllo Marce     Variatore elettronico
Batteria   V/Ah 24/200
PESI      
Peso a vuoto   Kg 820
Peso Batteria   Kg 230
RADDRIZZATORE      
Carica batteria   V-A 24-240

Informazioni Aggiuntive

Cod. TNBCDW 15/16
GTIN/EAN No
Fornito Montato - Pronto all'uso
Peso kg 820
Dimensioni Pala in mm No
Portata kg 1500
Diametro Ruota in mm No
Ruota del Tipo: No
Colore Giallo RAL1028
Produttore No
Paese di Produzione
Garanzia 2 Anni
Conformità CE
Disponibilità Fuori Produzione