Dettagli Prodotto
| TNBEX | |||
| 12/32 | |||
| FEATURES | |||
| Capacity | Q | Kg | 1.200 |
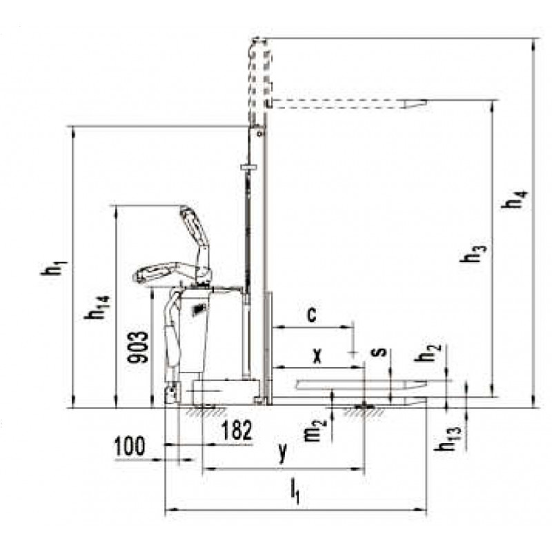
| Load centre distance | C | mm | 600 |
| Distance load axle to end forks | X | mm | 684 |
| Wheelbase | Y | mm | 1181 |
| Operator type | Pedestrian | ||
| Rider platform and protective arm | YES | ||
| WEIGHT | |||
| Service weight | kg | 960 | |
| Axle load laden front | kg | 820 | |
| Axle load unladen front | kg | 720 | |
| Axle load laden rear | kg | 1310 | |
| Axle load unladen rear | kg | 210 | |
| SIZES | |||
| Lifting height | h3 | mm | 3200 |
| Full free lift | mm | 120 | |
| Forks length | l | mm | 1150 |
| Distance between fork arms | b5 | mm | 570 |
| Fork dimensios width x thickness | e/s | mm | 180x60 |
| Overall length (excluding rider platform) | l1 | mm | 1845 |
| Length to face of forks | l2 | mm | 695 |
| Overall width | b1 | mm | 912 |
| Height, mast lowered | h1 | mm | 2096 |
| Height, mast extended | h4 | mm | 3975 |
| Turning radius | Wa | mm | 1400 |
| Height of tiller MAX/min | h14 | mm | 1420/985 |
| Lowered fork height | h13 | mm | 81 |
| Groung clearance, cente of wheelbase | m2 | mm | 26 |
| Aisle width pallet 800x1200 | AST | mm | 2215 |
| PERFORMANCES | |||
| Travel speed laden / unladen | Km/h | 6,0/6,0 | |
| Lift speed laden / unladen | mm/s | 0,105/0,15 | |
| Lowering speed laden / unladen | mm/s | 0,13/0,11 | |
| Gradeability laden / unladen | % | 6/12 | |
| FRAME | |||
| Wheels number front / rear (M=driving wheel) | nr | 2+1M/4 | |
| Tyres: stabilizers wheels | mm Ø | 150x54 | |
| Driving wheel | mm Ø | 252x8 | |
| Nylon front rollers | mm Ø | 80x70 | |
| Wheelbase | y | mm | 1.196 |
| Tread, front | b10 | mm | 686 |
| Tread, rear | b11 | mm | 390 |
| Electric motor | |||
| Drive motor power s2 60min | Kw | 1,3 | |
| Lift motor power s3 15% | Kw | 2,2 | |
| Drive control | AC speed control | ||
| Battery | V/Ah | 24/210 | |
| Battery weight | Kg | 200 | |
| CHARGER | |||
| Charger | V-A | 24-40 |
Informazioni Aggiuntive
| Cod. | TNBEX 12/32 |
|---|---|
| GTIN/EAN | 8053853156235 |
| Supplied | Fully assembled |
| Weight kg | 960 |
| Plate | No |
| Load Capacity Kg | No |
| Casters diameter mm | No |
| Type of Wheel: | - |
| Colour | Red RAL3000 |
| Produttore | Carmeccanica |
| Country of Manufacture | |
| Warranty duration | 1 Year |
| Conformity | CE |
| Lead Time | Out of Stock |
